วอทส์แอพ

8615665727870

ส่งอีเมลถึงเรา

sdepochwater@hotmail.com

สินค้า
มิเตอร์น้ำชลประทาน
  • มิเตอร์น้ำชลประทานมิเตอร์น้ำชลประทาน
  • มิเตอร์น้ำชลประทานมิเตอร์น้ำชลประทาน

มิเตอร์น้ำชลประทาน

ใช้:เครื่องมือวัดการไหลสำหรับวัดปริมาตรรวมของน้ำที่ไหลผ่านท่อ

เงื่อนไขที่ให้มา:

▶ขนาด:DN50~DN600

▶วัสดุ: เปลือกเหล็กหล่อ

▶เกรดอุณหภูมิ: T30, T50, T90

▶ระดับความดัน:MAP16,MAP10

▶การสูญเสียแรงดัน:△P63


วิธีการติดตั้ง:

1.การติดตั้งในแนวนอน

2.จำเป็นต้องมีเครื่องกรองน้ำเพิ่มเติม

3.ทางเข้า/ออกของมาตรวัดน้ำต้องมีท่อตรงส่วน U10/D5


ลักษณะเฉพาะ:

1. ความต้านทานการส่งผ่านขนาดเล็ก, ความสามารถในการไหลขนาดใหญ่, ป้องกันการปิดกั้นและความสามารถในการป้องกันมลพิษที่แข็งแกร่ง

2. โรเตอร์แนวนอน, แห้ง, ไดรฟ์คลัปแม่เหล็ก

3. เคาน์เตอร์ใช้การปิดผนึกสูญญากาศ ป้องกันการควบแน่นและการทำให้เป็นละออง และสามารถอ่านได้ชัดเจนเป็นเวลานาน

4. โครงสร้างแบบถอดได้ถูกนำมาใช้เพื่อการติดตั้งและบำรุงรักษาง่าย

5.กลไกการวัดมีความเป็นสากลสูง

6.ตามความต้องการของลูกค้า สามารถจัดเตรียมอุปกรณ์ส่งสัญญาณและส่งสัญญาณระยะไกล (ระบบส่งผ่านแบบกกคู่/ฮอลล์) ได้


พารามิเตอร์ทางเทคนิค:

ดีเอ็น (มม.) ไหล พิสัย เกรดวัดแสง สูงสุด กระแส Q4 ทั่วไป กระแส Q3 การไหลของขอบเขต Q2 ขั้นต่ำ กระแส Q1 ขั้นต่ำ การอ่าน สูงสุด การอ่าน
ไตรมาส 3/ไตรมาส 1 ลบ.ม./ชม ลบ.ม
LXXG-50 2” R20 (R25) 25 31.25 5 1.25 0.002 999, 999
แอลเอ็กซ์จี-65 2/2" 40 50 8 2 0.002 999, 999
LXXG-80 3” 63 78.75 12.6 3.15 0.002 999, 999
LXXG-100 4” 100 125 20 5 0.002 999, 999
LXXG-125 5” 160 200 32 8 0.002 999, 999
LXXG-150 6” 250 312.5 50 12.5 0.002 999, 999
LXXG-200 8” 400 500 80 20 0.002 999, 999
LXXG-250 10” 630 787.5 126 31.5 0.02 9, 999, 999

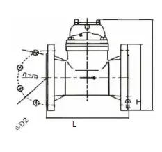
ขนาดและน้ำหนักโดยรวม:

แบบอย่าง ดีเอ็น ความยาว ความสูง หน้าแปลนเชื่อมต่อ
มม หน้าแปลนด้านนอก เส้นผ่านศูนย์กลาง φD1 จำนวน สลักเกลียวเชื่อมต่อ D2 จำนวน สลักเกลียวเชื่อมต่อ
LXXG-50 2” 200 253 165 125 4*M16
แอลเอ็กซ์จี-65 2V2" 200 268 185 145 4*M16
LXXG-80 3” 225 284 200 160 8*M16
LXXG-100 4” 250 295 220 180 8*M16
LXXG-125 5” 250 310 250 210 8*M16
LXXG-150 6” 300 339 285 240 8*M20
LXXG-200 8” 350 382 340 295 8*M20(1.0MPa) 12*M20(1.0MPa)
LXXG-250 10” 450 438 395 405
12*M20(1.0MPa) 12*M24(1.0MPa)

A. ข้อผิดพลาดที่อนุญาตสูงสุดของพื้นที่ต่ำ (Q1≤Q

B. เมื่ออุณหภูมิของน้ำอยู่ที่ 30 ℃ ข้อผิดพลาดที่อนุญาตสูงสุดในพื้นที่สูง (Q2≤Q≤Q4) คือ ± 2% เมื่ออุณหภูมิของน้ำอยู่ที่> 30 ℃ ข้อผิดพลาดที่อนุญาตสูงสุดในพื้นที่สูง (Q2≤Q≤Q4) คือ ± 3%






แท็กยอดนิยม: มิเตอร์น้ำชลประทาน
ส่งคำถาม
ข้อมูลติดต่อ
  • ที่อยู่

    เลขที่ 112 ถนน Jiefang เขต Lixia เมืองจี่หนาน มณฑลซานตง ประเทศจีน

  • โทร

    +86-15665727870

  • อีเมล

    sdepochwater@hotmail.com

พร้อมที่จะนำโครงการระบบน้ำของคุณไปอีกระดับแล้วหรือยัง? ส่งคำถามไปยัง บริษัท Shandong Epoch Equipment Co. , Ltd. และได้รับการตอบกลับส่วนบุคคลจากทีมงานของเรา เราอยู่ที่นี่เพื่อช่วยทุกความต้องการของระบบน้ำของคุณ ให้เราเป็นหุ้นส่วนที่เชื่อถือได้ของคุณ
คำแนะนำข่าวสาร
X
เราใช้คุกกี้เพื่อมอบประสบการณ์การท่องเว็บที่ดีขึ้น วิเคราะห์การเข้าชมไซต์ และปรับแต่งเนื้อหาในแบบของคุณ การใช้ไซต์นี้แสดงว่าคุณยอมรับการใช้คุกกี้ของเรา นโยบายความเป็นส่วนตัว
ปฏิเสธ ยอมรับ